vk
Позвонить
Заказать звонок

Вентиляция в концепции пассивного дома

Для начала разберёмся, что такое пассивый дом. Это определение дают домам, нагрузка на отопление которых составляет до 15 кВт*ч/м²*год благодаря пассивным методам энергосбережения. К таким относится, к примеру, использование теплоизоляции и рекуперации.  

Один из решающих компонентов пассивного дома — механическая система вентиляции с КПД 75% и более и с показателем потребления электрической энергии на вентиляцию 0,45 Вт/час на 1 м³ воздуха.

Зачем нужна механическая вентиляция в пассивном доме?

По стандартам пассивного дома следует делать замкнутую герметичную утеплённую оболочку постройки, которая приводит к минимальным тепловым потерям. Как только мы влияем на них, делая дом максимально воздухонепроницаемым и герметичным, мы ограничиваем попадание воздуха в здание. Для того, чтобы обеспечить его поступление, нужна вентмашина с рекуператором. Рекуператор — это теплообменник, в котором вытяжной воздух отдаёт своё тепло приточному уличному через специальный материал без смешения потоков.

При подборе отопительного оборудования составляют так называемый энергетический баланс: соотношение тепловых потерь и теплопоступлений. Теплопоступления дают люди, солнце, свет, определённые приборы и отопление. Теплопотери — это трансмиссионные теплопотери (тепловые потери через стены, пол, кровлю, окна), вентиляционные теплопотери. TURKOV как производитель вентиляционного оборудования влияет именно на последние.

Вентиляция в концепции пассивного дома

Как уменьшить вентиляционные теплопотери?

При расчёте теплопотерь от вентиляции уже учитываются фактический КПД рекуператора, кратность воздухообмена и кратность инфильтрационного воздуха, который поступает через неплотности дома (щели, дыры и пр.).

На вентиляционные теплопотери можно влиять 2 способами.

1 способ: строительный

Способ состоит в создании замкнутой герметичной оболочки здания, проведении определённых тестов.

Вентиляция в концепции пассивного дома

Здесь действует правило карандаша: если сделать разрез дома и провести линию, она должна нигде не прерываться. Нужно получить полностью замкнутую оболочку: это проверяется с помощью специальных приборов, аэродверей или аэроокон. При разности давления между домом и улицей 50 Па кратность воздухообмена через неплотности по стандарту пассивного дома должна составлять до 0,6 раз в час.

  Принцип работы аэродвери
  Принцип работы аэродвери

Суть методики в следующем: специальное воздухонепроницаемое полотно вставляется в дверной проём. В нём установлен специальный вентилятор, который создаёт перепад давления и измеряет автоматический расход воздуха, поступающий в дом через неплотности.

Аэродверь используется для проверки дома на герметичность. В случае обнаружения повышенной кратности инфильтрации стоит найти её источники и устранить их строительными способами.

Трёхступенчатый пластинчатый рекуператор
Трёхступенчатый пластинчатый рекуператор

2 способ: вентиляционное оборудование с рекуперацией тепла

TURKOV производит рекуператоры с КПД 65-89%. В оборудовании используются пластинчатые рекуператоры, которые передают не только тепло от вытяжного воздуха приточному, но и влагу за счёт диффузии водяных паров. Другим преимуществом такого материала рекуператора является возможность его монтажа в любом положении.

Станок по производству рекуператоров
Станок по производству рекуператоров
Процесс передачи влаги через материал рекуператора
Процесс передачи влаги через материал рекуператора

У TURKOV можно найти серию вентустановок с двух-, трёх- и четырёхступенчатыми рекуператорами. Названия моделей отличаются в зависимости от количества ступеней в рекуператоре, которое в свою очередь влияет на КПД. В серии представлены Zenit Standart с 2 ступенями рекуперации и 65% КПД, Zenit Heco с 3 ступенями рекуперации и 78% КПД и Criovent с 4 ступенями рекуперации и 89% КПД.

Где размещать вентоборудование?

Мы рекомендуем размещать вентустановку внутри тепловой оболочки: это именно те условия, которые позволят оборудованию достичь указанного КПД. При монтаже установки на улице или на холодном чердаке КПД будет снижаться. Теплоизоляция помогает решить вопрос, но только частично: учитывайте это, когда будете определять место для вентоборудования.

Пример размещения приточно-вытяжной установки
Пример размещения приточно-вытяжной установки

Какой должна быть теплоизоляция?

Рекомендуемые нормы для теплоизоляции в климате Москвы составляют 18-20 мм на забор воздуха с улицы и выброс на улицу. Для пассивного дома стандарты выше: минимум 50 мм, в некоторых случаях — 100 мм.

Вентиляция в концепции пассивного дома

Кейс: как устроен энергоэффективный дом?

Энергоэффективный дом — дом, в котором малое потребление энергии сочетается с комфортным микроклиматом.

  • Регион: Московская область.
  • Этажи: 2 этажа с цокольным подвальным помещением.
  • Вентоборудование: Zenit Heco 550 W.
  • Технология строительства: каменный дом с утеплением минеральной ватой. Удельная нагрузка на отопление 37 кВт*час / м²*год.
Вентиляция в концепции пассивного дома

Инженерная система дома включает следующие элементы:

  • геотермальный тепловой насос, подключенный к системе тёплый пол и к нагревателю в приточно-вытяжной установке;
  • солнечные коллекторы, выполняющие функцию нагрева горячего водоснабжения, а также прогрева грунта через геотермальные скважины*;
  • системы потолочного охлаждения-отопления;
  • электромобиль для аккумулирования солнечной энергии.

* Геотермальные скважины — это система хранения солнечной энергии в грунте. Тепло передаётся от недр к нужному объекту.

Летом за счёт того, что в этом объекте установлен геотермальный тепловой насос, геотермальные скважины используются как для охлаждения вентиляционного воздуха (к водяному теплообменнику установки подаётся холодная вода), так и для охлаждения через систему холодных потолков.

Вентиляция в концепции пассивного дома Вентиляция в концепции пассивного дома

Почему на этом объекте использован именно энтальпийный рекуператор?

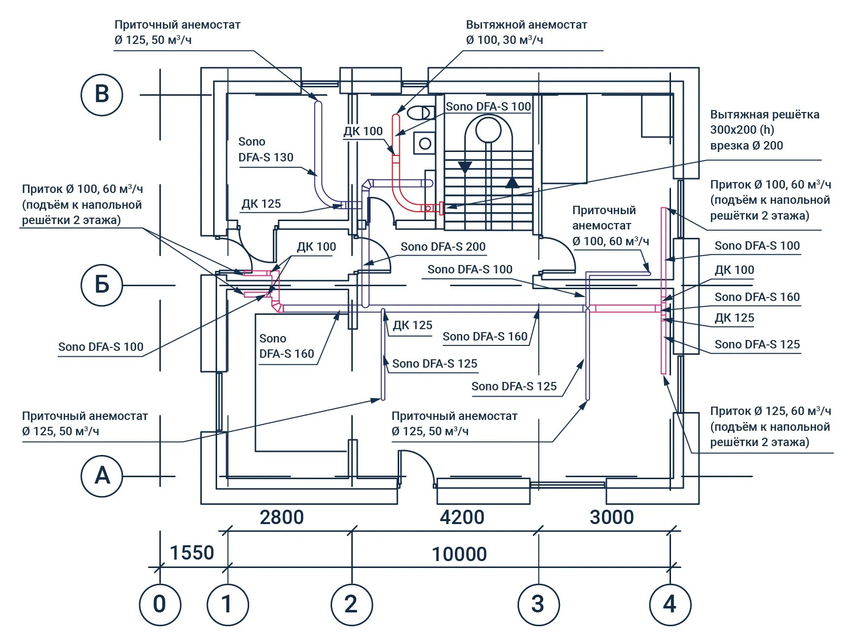
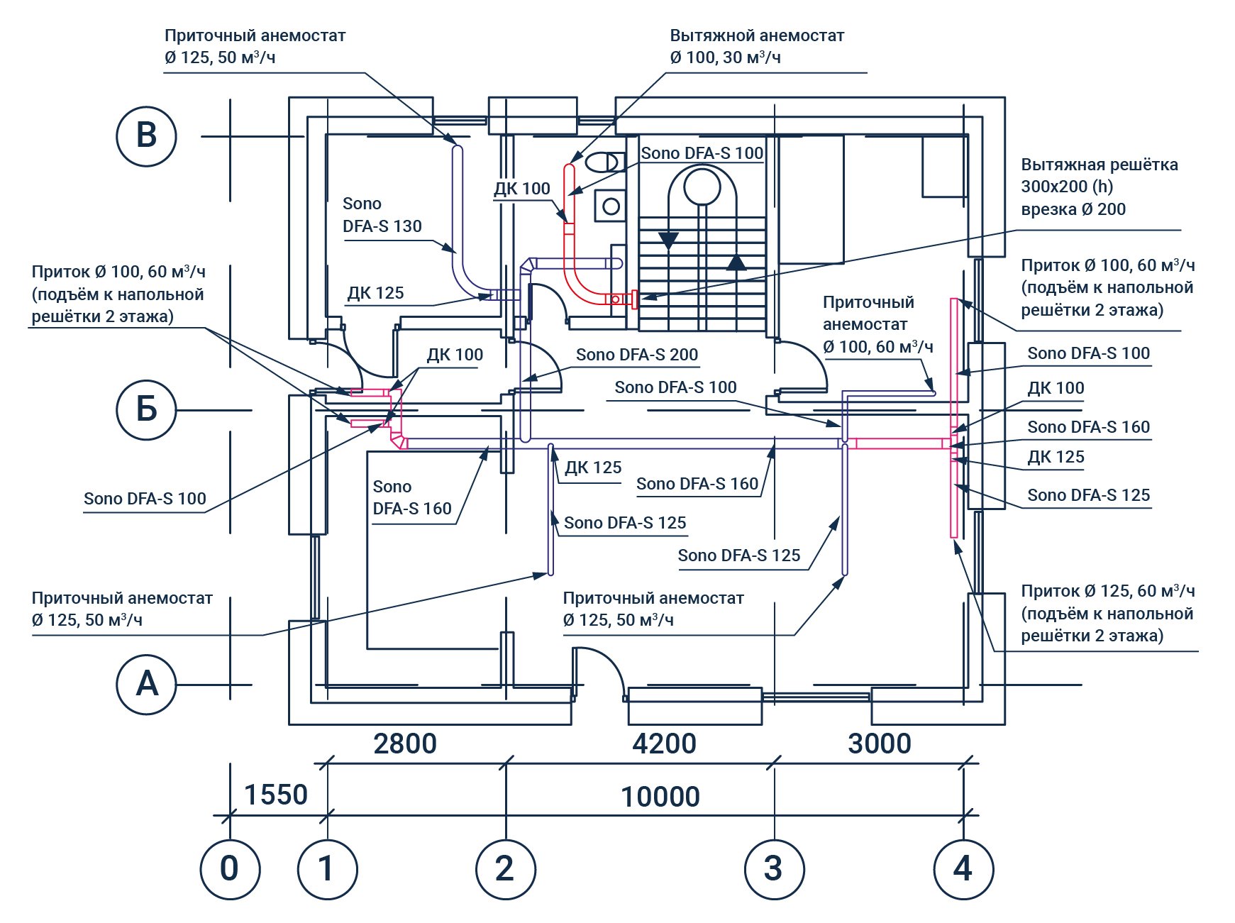
Для начала рассмотрим схему вентиляции.

Оборудование установлено в подвале. Вся разводка выполнена на 1 этаже для того, чтобы не затрагивать скатную кровлю на 2 этаже.

На 2 этаж воздуховоды заходят через пол. Использованы специальные напольные решетки, по которым можно ходить. Притоки организованы в гостиную, в спальню и кабинеты, а вытяжки — из санузлов, туалета и коридоров.

На весь дом имеется 2-3 вытяжные решётки. Такое решение допустимо в случаях, когда вентиляция работает через переток в межкомнатных дверях. Для обеспечения перетока необходима щель в дверном проёме 1-3 см.

Вентиляция в концепции пассивного дома

Линии на второй иллюстрации отвечают за изменение влажности в доме с 2017 по 2022 год. Зелёная линия отвечает за время, когда дом был только сдан. В декабре и феврале можно видеть, что показатели были очень высоки, от 50 до 80%. Это объясняется остаточной влажностью от газобетона.

Когда заработала вентиляционная установка (все линии ниже), влажность стала падать, но не ниже критичного уровня. Критичным уровнем влажности можно было бы назвать 10%. Влажность в период с декабря по февраль составляла не ниже 30-35%. Указанный уровень достигнут без использования дополнительных систем увлажнения.

Однако отметим, что обращаться к приточно-вытяжному оборудованию для осушения воздуха в помещении недопустимо, поскольку детали установки не предназначены для этой цели.

Такой показатель получить достичь при сочетании 2 факторов:

  1. Энтальпийный рекуператор в вентустановке;
  2. Энергоэффективный дом с практически полным отсутствием инфильтрационных поступлений воздуха.

Как увеличить эффективность рекуператора?

Для увеличения эффективности рекуператора можно использовать так называемые геоконтура. Есть 2 варианта:

Вентиляция в концепции пассивного дома

1. Воздушный геотермальный контур

Воздух в этом случае проходит через землю перед попаданием в вентмашину.

Вентиляция в концепции пассивного дома

2. Гликолевый геотермальный контур

Гликоль прокачивается через специальный теплообменник и забирает тепло также от земли.

Если вы хотите подобрать вентиляцию для своего пассивного дома, вы всегда можете обратиться к инженерам компании TURKOV за помощью. Наши специалисты подберут лучшее решение, которое будет учитывать особенности вашего объекта и ваши пожелания. Телефон для консультации указан в шапке сайта.

«У меня остались вопросы...»

Ваш случай? Давайте свяжемся с вами и на всё ответим.
Получить консультацию

Читайте также

Ко всем статьям
Оставаясь на сайте, вы соглашаетесь с условиями использования файлов cookie
Хорошо