vk
Позвонить
Заказать звонок

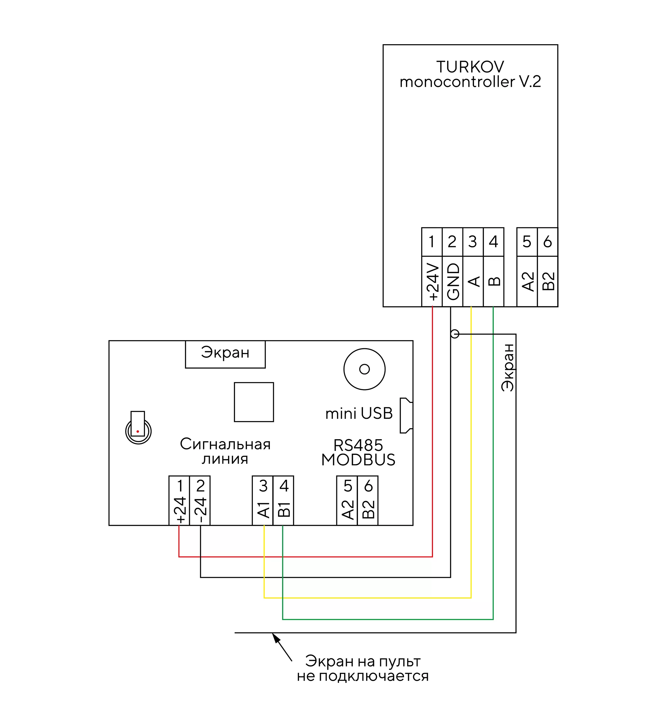
Подключение пульта управления TURKOV

Важно! Перед подключением пульта управления убедитесь, что установка отключена от электросети. Все подключения и отключения должны производиться только при обесточенном оборудовании.

Подключение питающих и сигнальных кабелей необходимо осуществлять строго по схеме. Схему вы можете найти:

  • в паспорте оборудования, который поставляется в комплекте с оборудованием;
  • на нашем официальном сайте;
  • через запрос в отдел технической поддержки;
  • в данной статье ниже.
Схема подключения пульта управления TURKOV к моноконтроллеру TURKOV
Схема подключения пульта управления TURKOV к моноконтроллеру TURKOV

Самодиагностика

1. В случае неверного подключения сигнальных кабелей (контакты 3 и 4) на экране пульта появится Ошибка 485 и серийный номер установки.

2. При несоблюдении правил подключения (нарушена полярность или произведено подключение при поданном питании) вместо актуального серийного номера на экране будут отображаться «нули».

Если у вас возникли проблемы с подключением пульта, свяжитесь с нашим сервисным отделом. Контакты и форму для обращения вы можете найти на этой странице.

Читайте также

Ко всем статьям
Оставаясь на сайте, вы соглашаетесь с условиями использования файлов cookie
Хорошо