vk
Позвонить
Заказать звонок

EC-вентилятор RB1E225BA0101

Центробежный вентилятор с назад загнутыми лопатками для различных конструкторских решений. Разработано и произведено на собственном производстве в России. Технические характеристики могут быть изменены под спецзаказ.
Максимальная производительность, м³/ч:
  • Питание 220 В, 1ф
  • Класс защиты IP 54
  • Управление 0-10 В
  • Рабочие температуры -25 °С...+60 °С
  • Функционально сопоставим с европейской продукцией
  • Монтаж в любом положении
Цена по запросу
Оформить заказ
Более подробные технические характеристики продукции TURKOV motor уточняйте у инженера.
Об устройстве
Совместимое оборудование
Оплата и доставка
Гарантия
Описание
ЕС-вентилятор с назад загнутыми лопатками, крыльчатка имеет 7 лопастей. Корпус электродвигателя изготовлен из алюминиевого сплава, крыльчатка из полиамида, армированного стекловолокном. Монтаж возможен в любом положении, кроме ротором вверх.
РАСШИФРОВКА НАЗВАНИЯ Модель RB 1E 190 BA 0101
  • RB — центробежный вентилятор типа мотор-колесо
  • 1E — тип питания вентилятора
  • 190/225 — диаметр крыльчатки, мм
  • BA — загнутые назад лопатки
  • 0101 — код исполнения двигателей

СРОК СЛУЖБЫ
Срок службы ЕС-вентиляторов TURKOV motor зависит от срока службы системы подшипников. В наших вентиляторах мы используем подшипники качения, не требующие технического обслуживания, которые могут использоваться в любом монтажном положении. Ориентировочно (в зависимости от предельных условий) ожидаемый срок службы шарикоподшипника L10 при температуре окружающей среды +40 составляет около 40 000 часов работы.

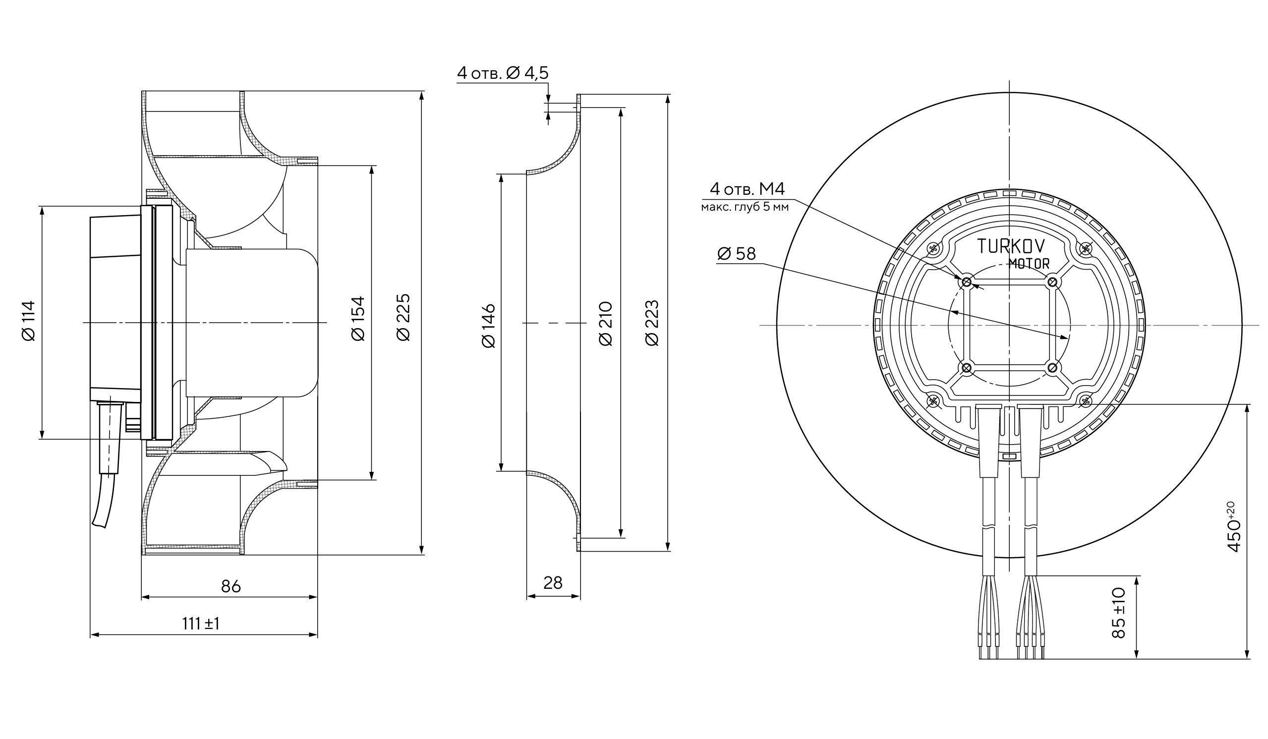
Габаритные размеры
Габаритные размеры
Габариты ДxШxВ (мм)
225х225х112
Длина соединительного кабеля (м)
0,45
Аэродинамические и технические характеристики
Максимальный ток (А)
1,35
Питание
220В 1Ф 50Гц
Номинальная частота вращения (об/мин)
2860
Максимальная производительность (м³/ч)
1300
Масса (кг)
1,75
Потребляемая мощность (Вт)
170

Совместимое оборудование и комплектующие

ОПЛАТА

Обращаем внимание, что оплатить на сайте можно не все товары, а только фильтры. Для оплаты вентиляционного оборудования или его комплектующих необходимо оставить заявку на сайте — с вами свяжется инженер по подбору оборудования, проконсультирует и выставит счёт.

ДОСТАВКА

Вы можете забрать оборудование самостоятельно с нашего склада или оформить доставку с помощью транспортной компании. Стоимость доставки можно рассчитать на сайте выбранной вами ТК.

Больше об оплате и доставке вы можете узнать в разделе Оплата и доставка.

Срок гарантии

Гарантийный срок на продукцию TURKOV motor при соблюдении потребителем правил транспортирования, хранения, монтажа и эксплуатации составляет 12 месяцев с даты продажи.

Оставаясь на сайте, вы соглашаетесь с условиями использования файлов cookie
Хорошо