vk
Позвонить
Заказать звонок

Hydra X 20000 W

Двунаправленный приточно-вытяжной климатический комплекс с рециркуляцией и рекуперацией. Поддерживает комфортный микроклимат и сохраняет тепло в помещении бассейна. Оснащён жидкостным нагревателем и системой воздушных заслонок.
  • Производительность 20000 м³/ч
  • КПД возврата тепла 75%
  • Под зеркало воды до 506 м² 🛈
  • Двунаправленное левое или правое исполнение
  • Делится на 3 блока
  • Автоматика в комплекте
Для общественных бассейнов
Для аквапарков
Для объектов культуры и спорта
Цена по запросу
Оформить заказ
Розничная цена действует на оборудование TURKOV по всей России. Стоимость указана за стандартную комплектацию, условия приобретения акционного оборудования уточняйте у инженеров компании.

Оформить заказ можно на нашем сайте, а также у региональных дистрибьютеров и дилеров.
Об установке
Документы
Оплата и доставка
Гарантия
Комплектация установки
Стальной корпус с теплоизоляцией 50 мм
Перекрёстно-противоточный полипропиленовый рекуператор
Жидкостный нагреватель со смесительным узлом
Фильтры тонкой очистки класса F5 (8 шт.)
ЕС-вентиляторы
Дренажная система
Заслонки с электроприводом и возвратной пружиной (уличные)
Рециркуляционная заслонка с управлением 0-10 В (0...100%)
Заслонка оттайки рекуператора
Система защиты от обмерзания
Датчики температуры уличного и приточного воздуха
Датчики температуры поверхности и обратной воды жидкостного нагревателя
Датчик температуры и влажности вытяжного воздуха
Автоматика производства TURKOV
К-фактор (CAV-система)
Пульт управления с сенсорным дисплеем
Wi-Fi модуль для управления через мобильное приложение
Подключение к Умному дому и управление с Яндекс станции
По спецзаказу:
Электрический нагреватель (ТЭНы)
Блок преднагрева
Байпасный клапан
Видеообзор на оборудование
Габаритные размеры
Габаритные размеры
Габариты ДxШxВ (мм)
5990х2125х2450
Толщина корпуса (мм)
50
Зона обслуживания фильтров (мм)
600
Подключение воздуховодов (мм)
1500х900
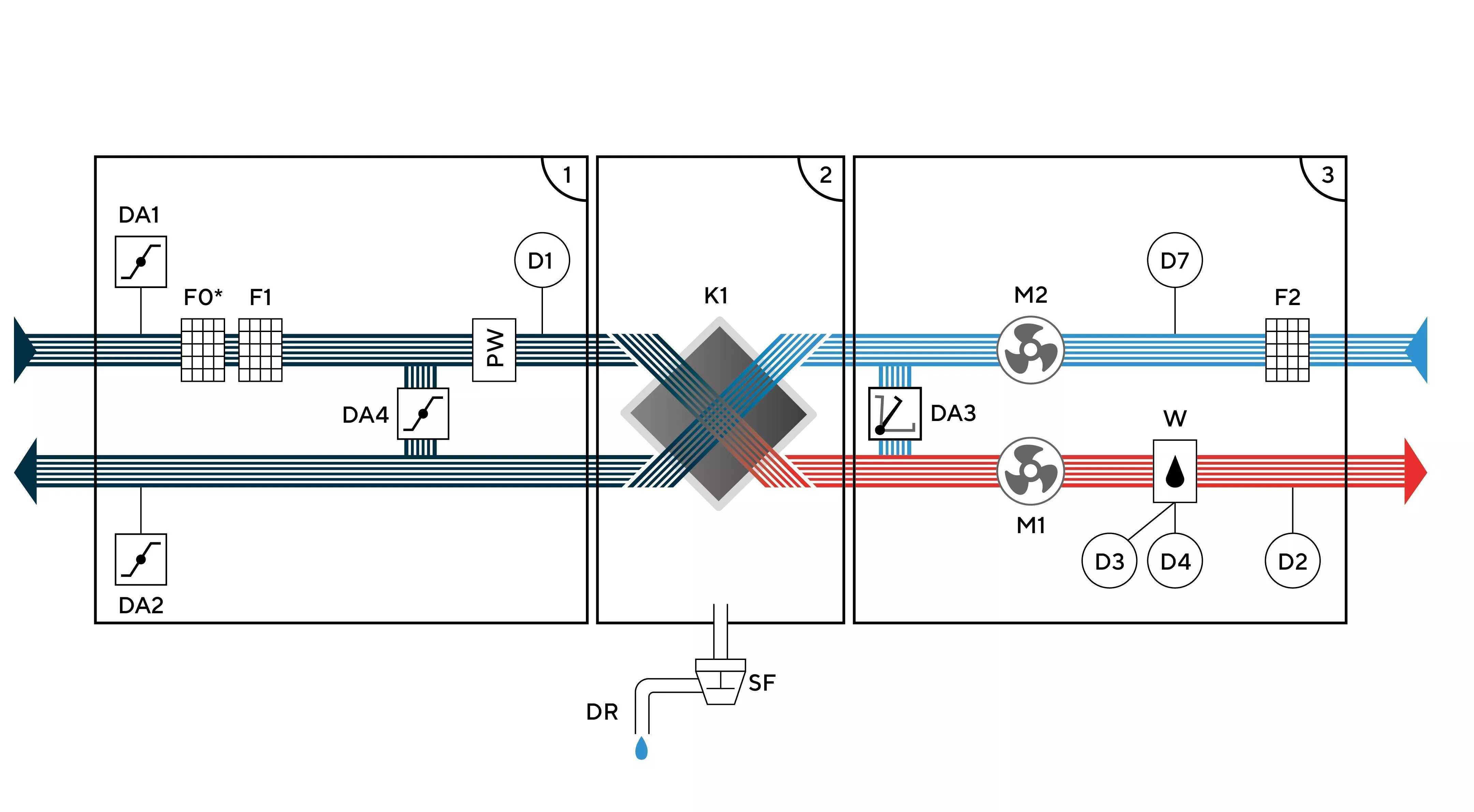
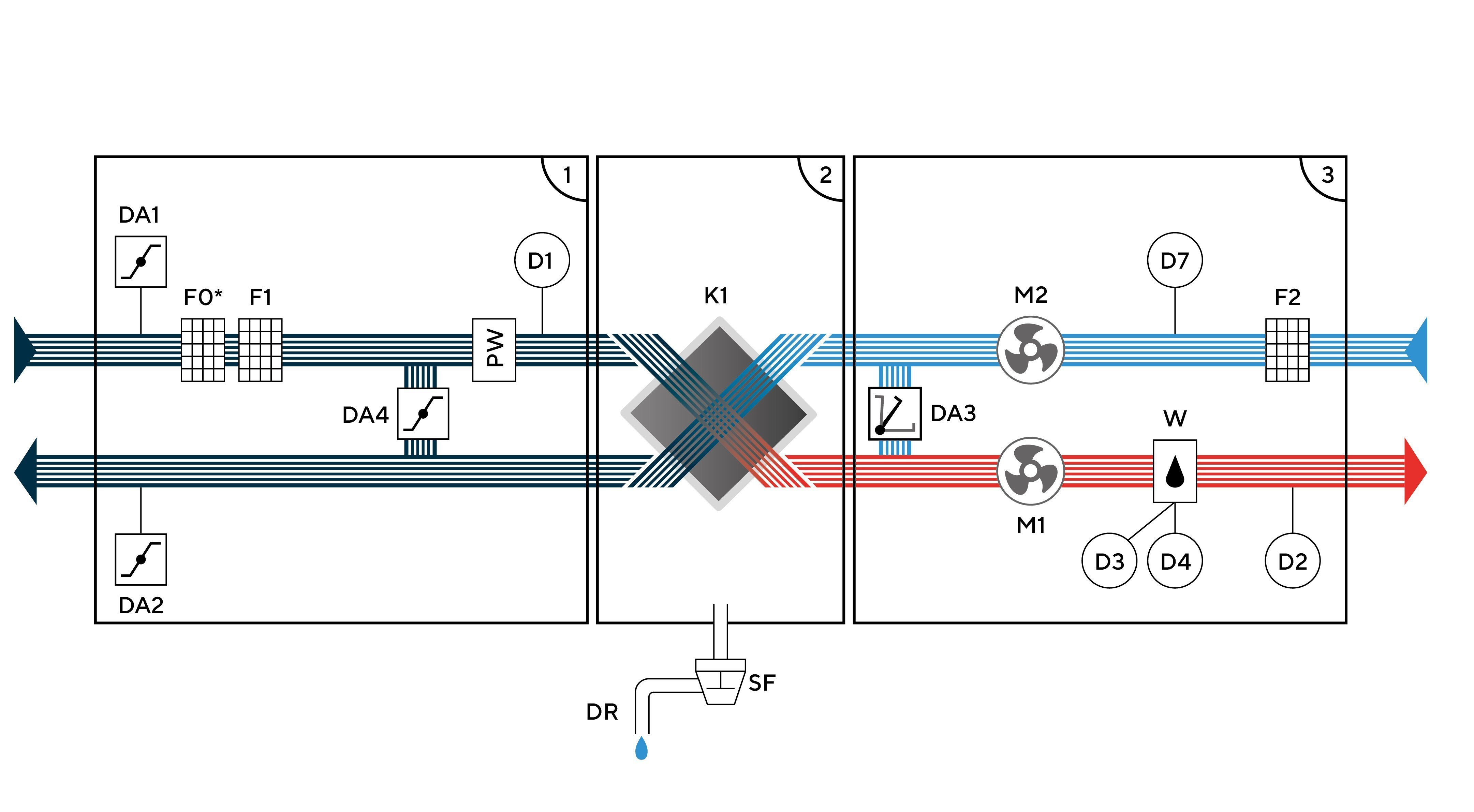
Функциональная схема
Функциональная схема
М1, М2
ЕС-вентиляторы
F0*
Фильтр грубой очистки (опция)
F1, F2
Воздушные фильтры тонкой очистки
K1
Полипропиленовый рекуператор
PW
Жидкостный преднагреватель
W
Жидкостный нагреватель со смесительным узлом
D1
Датчик температуры уличного воздуха
D2
Датчик температуры приточного воздуха
D3
Датчик температуры обратной воды жидкостного нагревателя
D4
Датчик поверхности жидкостного нагревателя
D7
Датчик температуры и влажности вытяжного воздуха
DA1
Заслонка с электроприводом и возвратной пружиной (приток)
DA2
Заслонка с электроприводом и возвратной пружиной (выброс)
DA3
Рециркуляционная заслонка
DА4
Заслонка оттайки рекуператора
DА5*
Байпасный клапан (опция)
График статического давления и технические характеристики
Номинальная производительность (м³/ч)
20000
Максимальное электропотребление (кВт)
23,3
Питание
380В 3Ф 50Гц
Жидкостный нагреватель (рядность)
2-6
Максимальный ток (А)
36
Звуковое давление (дБ)
60

ОПЛАТА

Обращаем внимание, что оплатить на сайте можно не все товары, а только фильтры. Для оплаты вентиляционного оборудования или его комплектующих необходимо оставить заявку на сайте — с вами свяжется инженер по подбору оборудования, проконсультирует и выставит счёт.

ДОСТАВКА

Вы можете забрать оборудование самостоятельно с нашего склада или оформить доставку с помощью транспортной компании. Стоимость доставки можно рассчитать на сайте выбранной вами ТК.

Больше об оплате и доставке вы можете узнать в разделе Оплата и доставка.

Срок гарантии

На приточно-вытяжные установки для бассейнов, климатические комплексы c рекуперацией/с рекуперацией и фреоновым контуром действует гарантия 3 года с даты продажи (дня передачи оборудования потребителю), при условии эксплуатации согласно правилам, указанным в паспорте установки.

Если оборудование приобретено у официального дилера TURKOV, то монтаж, демонтаж, а также гарантийное и сервисное обслуживание обеспечивает сам дилер.

Длительность гарантийного периода не зависит от того, использовалось ли оборудование. Для исполнения гарантийных обязательств и обеспечения наибольшего срока службы изделия необходимо проводить ежегодное плановое техническое обслуживание в соответствии с паспортом оборудования. Это включает замену фильтров, проверку воздухообмена и, при необходимости, очистку оборудования. Первое обслуживание должно быть проведено не позднее 18 месяцев от даты отгрузки (или 12 месяцев с даты запуска установки в работу).

Срок службы

Расчётный срок службы оборудования составляет 10 лет при условии соблюдения правил эксплуатации. Эксплуатация после этого периода разрешена с соблюдением правил технического обслуживания (ПТО), указанных в паспорте установки.

Ограничения гарантии

Гарантия не распространяется на случаи:

  • Повреждения оборудования при транспортировке;
  • Несоблюдения инструкций по разбору, сбору, установке, эксплуатации и техническому обслуживанию;
  • Нарушения правил хранения оборудования или нецелевого использования, грубой небрежности и умышленного ущерба, причинённого оборудованию;
  • Монтажа, ремонта или любых других работ с оборудованием, выполненных не официальным дилером компании;
  • Внесения в конструкцию оборудования каких‑либо изменений или использования запчастей, не предусмотренных производителем;
  • Нанесения ущерба, причинённого стихийными бедствиями, пожарами, авариями или другими непредвиденными событиями, не связанными с использованием оборудования;
  • Эксплуатации установок без проведения пусконаладочных работ;
  • Использования оборудования вне допустимых температурных и влажностных пределов;
  • Сбоев в работе оборудования, если плановое техническое обслуживание не было проведено в течение 18 месяцев с момента покупки. Более подробную информацию об условиях планового технического обслуживания и ограничениях гарантии можно найти в паспорте оборудования.

Также гарантия не распространяется на внешнее декоративное и защитное покрытие.

Условия гарантийного обслуживания

Для получения гарантийного обслуживания необходимо сохранить гарантийный талон и документы, подтверждающие покупку оборудования. В гарантийном талоне должны быть указаны (полностью и разборчиво): название модели, серийный номер, дата продажи, контактные данные и печать компании-продавца, а также контактные данные и печать компании-установщика оборудования.

Гарантийный ремонт или замена оборудования проводятся на основании заключения сервисной службы и подтверждения гарантийного случая официальным дилером или заводом-изготовителем. TURKOV не несёт ответственности за любые случайные или косвенные убытки, вызванные неисправностью оборудования.

Оставаясь на сайте, вы соглашаетесь с условиями использования файлов cookie
Хорошо